Acid Resistant Automatic Straight Line Filler by Packaging Dynamics, Ltd. - Manufacturer of Automatic & Semi-Automatic Liquid fillers, Conveyors, Unscramblers, Accumulators, and Custom Designed Packaging machinery & nozzles for liquids.

 
 

Acid Resistant Automatic Straight Line Filler by Packaging Dynamics, Ltd. - Manufacturer of Automatic & Semi-Automatic Liquid fillers, Conveyors, Unscramblers, Accumulators, and Custom Designed Packaging machinery & nozzles for liquids.

 
 

Visit us at the
Pack Expo 2010
Stop by and see us at the Pack Expo 2010 at McCormick place in Chicago, IL., we'll be at booth #4243
We'll be at booth #4243

 

 
 
 


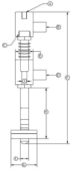
Liquid Filling Nozzle Specification Page

 

Liquid Filling Nozzle specs page by Packaging Dynamics, Ltd. - Manufacturer of Automatic & Semi-Automatic Liquid fillers, Conveyors, Unscramblers, Accumulators, and Custom Designed Packaging machinery & nozzles for liquids.

 


A   - Thread Size: ______________________

B   -  Inlet Liquid Tube Diameter: ___________

C   -  Thread Size: ______________________

D   -  Outlet Liquid Tube Diameter: _________

E   -  Cup Diameter: ____________________

F   -  Overall Length: ____________________

G   -  Spacer & Washer Diameter: _________

H    -  Outer Sleeve Length: _______________

 I   - Outer Sleeve Diameter: _____________

J   - Liquid Tube Outer Diameter: _________
 

Request a Quote for Nozzles


Automatic Liquid Fillers


Semi-Automatic Liquid Fillers

Accumulators & Unscramblers

Nozzles & Parts

Cleaning Systems

Feeding & Sorting Machines

* Manufactured in the U.S.A.! *